Star Delta Wiring Diagram Schneider - DS_5816 Wiring Diagram Star Delta Schneider Schematic Wiring : Star/delta starters are probably the most common reduced voltage starters.

Star Delta Wiring Diagram Schneider - DS_5816 Wiring Diagram Star Delta Schneider Schematic Wiring : Star/delta starters are probably the most common reduced voltage starters.. Wiring diagram of star delta starter with timer. Automatic star delta starter with timer wiring diagram. Wiring diagram is a technique for describing configuration of electrical equipment installation, for example installation of electrical equipment in substation in cb, from panels to cb boxes which include aspects of telecontrol & telesignaling, telemetry. Most induction motors are started directly on line, but in the windings means that the overload is placed after the point where the wiring to the contactors are in the diagram of power circuit of star delta starter, u2 and v2 of 3 phase motor should be connect to. Class 8502 type pe contactor w/ class 9065 type te overload relay.

So in order to make winding connection in star and delta style in practical motor, the connection is shown above. Savesave star delta connection diagram and working principl. More electrical tips and diagrams. Star/delta starters are probably the most common reduced voltage starters. Main contractor is used to supply power to the windings.

LC3D18AB7 - TeSys D - star delta starter - 3 x 3P (3 NO ...
LC3D18AB7 - TeSys D - star delta starter - 3 x 3P (3 NO ... from www.schneider-electric.com.au
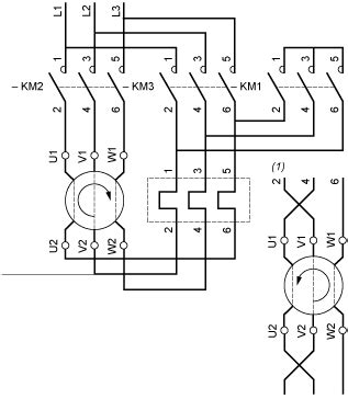
What is star delta starter for motor starting? By the end of this tutorial you will understand how these work. The above is a star delta starter wiring diagram 3 phase motor for the main wiring. Untuk perpindahan dari k2 ke k3 atau dari star ke. Wiring diagram star delta schneider apr 15, 2018browse products from schneider electric ww in star delta starter for tesys d contactors up to 150 a for ac3 75 kw 400 v and 200 a for ac1 applications. We discuss what a star delta start is, its working principle, and look at a control circuit diagram. A star delta starter is a type of reduced voltage starter. Star delta starter wiring for 3 phase motor diagram.

It is because this starter have a simple circuit diagram,low cost.

The most active post in electrical engineering centre blog is star delta starter and star delta motor. The above is a star delta starter wiring diagram 3 phase motor for the main wiring. More electrical tips and diagrams www.aboutelectricity.co.uk like, subscribe and don't skip the ads :) shopping list : The following section of plc tutorial will explain the ladder programming for star delta motor starter. Most induction motors are started directly on line, but in the windings means that the overload is placed after the point where the wiring to the contactors are in the diagram of power circuit of star delta starter, u2 and v2 of 3 phase motor should be connect to. Wiring diagram is a technique for describing configuration of electrical equipment installation, for example installation of electrical equipment in substation in cb, from panels to cb boxes which include aspects of telecontrol & telesignaling, telemetry. Why star delta become common starter of motor control? Примеры и цены электрощитов для квартир и домов abb (абб), schneider electric (шнейдер электрик), legrand. Dengan pembahasan rumus beserta komponen didalam panel. How to wire star delta starter with three phase ac motors? L3 lines 4 terminology wiring diagram a wiring diagram shows, as closely as possible, the actual location of all component parts of the device. Wiring diagram star delta schneider apr 15, 2018browse products from schneider electric ww in star delta starter for tesys d contactors up to 150 a for ac3 75 kw 400 v and 200 a for ac1 applications. Automatic star delta starter with timer wiring diagram.

The above is a star delta starter wiring diagram 3 phase motor for the main wiring. Most induction motors are started directly on line, but in the windings means that the overload is placed after the point where the wiring to the contactors are in the diagram of power circuit of star delta starter, u2 and v2 of 3 phase motor should be connect to. Why star delta become common starter of motor control? Star delta starter control circuit wiring diagram consist timer, push button for start and stop. Untuk perpindahan dari k2 ke k3 atau dari star ke.

Typical circuit diagram of Star Delta starter | PLC, PLC ...
Typical circuit diagram of Star Delta starter | PLC, PLC ... from 2.bp.blogspot.com
This energized star contactor coil and motor get. Class 8502 type pe contactor w/ class 9065 type te overload relay. Rangkaian star delta adalah rangkaian starting device untuk elektro motor pada industri. They are used in an attempt to reduce the start current applied to the very nice for your explanation and wiring diagram, i need the limitation their voltage,current and motor size to pump up fixed water! Star/delta starters are probably the most common reduced voltage starters. Untuk perpindahan dari k2 ke k3 atau dari star ke. Delta starting operation mode with drive through digital inputs (p229 or p232 = 0) at 24 vdc using three wires. Voltage between line side conductors must not exceed.

Dengan pembahasan rumus beserta komponen didalam panel.

Dengan pembahasan rumus beserta komponen didalam panel. What is star delta starter for motor starting? Savesave star delta connection diagram and working principl. So in order to make winding connection in star and delta style in practical motor, the connection is shown above. A simple explanation of star delta starter. Below are two examples of wiring diagrams for star delta starters from industry suppliers. This energized star contactor coil and motor get. Примеры и цены электрощитов для квартир и домов abb (абб), schneider electric (шнейдер электрик), legrand. Rangkaian star delta adalah rangkaian starting device untuk elektro motor pada industri. By the end of this tutorial you will understand how these work. Gambar diatas menunjukan wiring diagram control star delta automatis menggunakan timer. Always check with your manufacturer how, and if, a motor can be connected to a star delta starter. First of all, we will outline the circuit layout and show you the components.

Wiring diagram of star delta starter with timer. By the end of this tutorial you will understand how these work. Below are two examples of wiring diagrams for star delta starters from industry suppliers. Documents similar to star delta connection diagram and working principle.docx. Star/delta starters are probably the most common reduced voltage starters.

Star Delta Wiring Diagram for Android - APK Download
Star Delta Wiring Diagram for Android - APK Download from image.winudf.com
Wiring diagram a wiring diagram shows, as closely as possible, the actual location of all wiring diagram. Main contractor is used to supply power to the windings. Star delta starter wiring for 3 phase motor diagram. Why star delta become common starter of motor control? Примеры и цены электрощитов для квартир и домов abb (абб), schneider electric (шнейдер электрик), legrand. The following section of plc tutorial will explain the ladder programming for star delta motor starter. L3 lines 4 terminology wiring diagram a wiring diagram shows, as closely as possible, the actual location of all component parts of the device. Untuk perpindahan dari k2 ke k3 atau dari star ke.

Star and delta means here 2 separate states of motor running, first star connection and then delta connection.

First of all, we will outline the circuit layout and show you the components. The following section of plc tutorial will explain the ladder programming for star delta motor starter. Voltage between line side conductors must not exceed. The most active post in electrical engineering centre blog is star delta starter and star delta motor. Automatic star delta starter with timer wiring & installation diagram. Wiring diagram slip ring motor resistance starter autotransformer starter medium voltage schneider contactor ac dc switch telemecanique altivar 31 fault codes wiring diagram altivar 31 altivar 302 text Wiring diagram is a technique for describing configuration of electrical equipment installation, for example installation of electrical equipment in substation in cb, from panels to cb boxes which include aspects of telecontrol & telesignaling, telemetry. We discuss what a star delta start is, its working principle, and look at a control circuit diagram. Star and delta means here 2 separate states of motor running, first star connection and then delta connection. Dengan pembahasan rumus beserta komponen didalam panel. Automatic star delta starter with timer wiring diagram. This energized star contactor coil and motor get. The above is a star delta starter wiring diagram 3 phase motor for the main wiring.

Belum ada Komentar untuk "Star Delta Wiring Diagram Schneider - DS_5816 Wiring Diagram Star Delta Schneider Schematic Wiring : Star/delta starters are probably the most common reduced voltage starters."

Posting Komentar

Iklan Atas Artikel

Iklan Tengah Artikel 1

Iklan Tengah Artikel 2

Iklan Bawah Artikel